系统架构
本文以 STM32F10xx 系列为例介绍STM32单片机的系统架构。
系统构架
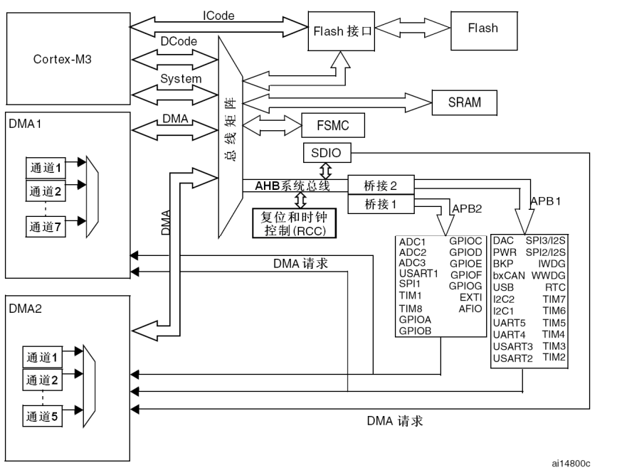
STM32F10xx 系列MCU的系统架构如下图所示:

主要组成部分有:
- 内核:STM32F10xx 系列使用32位精简指令集的Cortex-M3内核,相当于计算机的CPU,执行指令并进行数据运算。
- DMA:负责通过总线矩阵进行数据搬运,减轻内核负担。
- ICode总线:与闪存指令接口相连接,用于指令预取。
- DCode总线:与总线矩阵相连接,用于常量加载(从 FLASH 读取),SRAM的读写和调试访问。
- 系统总线:与总线矩阵相连接,用于访问外设,系统控制和中断向量表的读取。
- 总线矩阵:总线矩阵协调内核系统总线和DMA主控总线之间的访问仲裁,仲裁利用轮换算法。
- AHB/APB总线桥:所有外设挂载在两条高级外设总线(APB)上,由这条总线控制并提供时钟信号,其中APB1操作速度限于36MHz, APB2操作速度限于72MHz。这两根总线通过AHB总线连接在总线矩阵上。
存储器映像
STM32 单片机的逻辑寻址空间是2的32次幂也就是4GB,这4GB空间部分被分配给了 ram,flash 和外设寄存器,还有绝大部分保留未用。对于STM32F10xx 系列地址映射如下图所示:

SRAM
SRAM的起始地址是0x2000 0000,对于 STM32F10xxx 系列该地址之后64K字节都是静态SRAM。可以以字节、半字(16位)或全字(32位)访问 ,可用作C语言的堆栈空间。
位段
存储器映像包括两个位段区。
// 区域1:SRAM位段区
#define SRAM_BB_REGION_BASE 0x20000000 // SRAM起始地址
#define SRAM_BB_REGION_END 0x200FFFFF // 前1MB SRAM,实际只有64KB内存
// 区域2:外设位段区
#define PERIPH_BB_REGION_BASE 0x40000000 // 外设起始地址
#define PERIPH_BB_REGION_END 0x400FFFFF // 前1MB外设
别名区中的每个字(32bit)映射到位段存储器区的一个位,在别名区写入一个字具有对位段区的目标位执行读-改-写操作的相同效果。别名区中的每个字通过下面公式映射到位带区的相应位:
bit_word_addr = bit_band_base + (byte_offset× 32) + (bit_number× 4)
- bit_word_addr是别名存储器区中字的地址,它映射到某个目标位。
- bit_band_base是别名区的起始地址。
- byte_offset是包含目标位的字节在位段里的序号。
- bit_number是目标位所在位置(0-31)。
在STM32F10xxx里,外设寄存器和SRAM都被映射到一个位段区里。
/* 计算公式:别名地址 = 0x22000000 + (字节偏移×32) + (位号×4) */
// 别名区1:SRAM位段别名区
#define SRAM_BB_ALIAS_BASE 0x22000000 // SRAM别名区起始
// 别名区2:外设位段别名区
#define PERIPH_BB_ALIAS_BASE 0x42000000 // 外设别名区起始
STM32单片机最小内存访问单元为32位,因此通过别名区改写位段区中的位保证了操作的原子性,不会被中断打断。同时别名区的地址为逻辑地址并不对应实际存储空间,因此也没有造成存储空间的浪费。
#传统方法需要3步(非原子性):
LDR R0, [R1] ; 1. 读取整个字
ORR R0, R0, #0x20; 2. 修改特定位
STR R0, [R1] ; 3. 写回整个字
#如果在第1步和第3步之间发生中断,可能数据不一致
#位段方法只需要1步(原子性):
LDR R0, =0x42210194 ; 加载位段别名地址
MOV R1, #1
STR R1, [R0] ; 单指令完成位设置
#这条STR指令执行时不会被中断打断
Flash
Flash 模块一般由主存储模块、信息块、存储器接口寄存器三部分组成。
- 主存储块的起始地址为
0x08000000,不同型号大小不同用于存放中断向量,烧录的代码等。 - 信息块包含系统存储器和选项字节两部分。系统存储器存放了Bootloader代码与设备ID,Bootloader 用于通过USART/USB/SPI/I2C下载程序,系统引导选择,系统保护功能。而选项字节通常包含读保护、写保护 、看门狗配置、复位配置。
- 接口寄存器用于控制和配置Flash操作。

启动配置
在系统复位后,SYSCLK的第4个上升沿, BOOT引脚的值将被锁存。用户可以通过设置BOOT1和BOOT0引脚的状态,来选择在复位后的启动模式。CPU 从地址0x0000 0000获取堆栈顶的地址,并从0x0000 0004地址开始执行代码,不同的启动模式下将不同地址的位置映射到0x0000 0000地址。

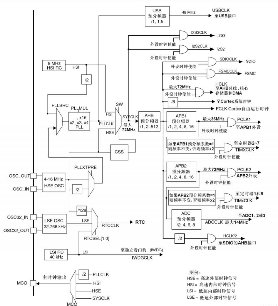
时钟
RCC
RCC(Reset and Clock Control)是时钟和复位控制模块。它负责管理系统时钟的生成和分配,以及控制外设的复位和时钟开启/关闭,通过RCC配置,开发者可以优化STM32的性能和功耗,确保系统在不同工作条件下稳定运行。
RCC的主要功能包括:
- 时钟源选择:RCC可以选择不同的时钟源,比如内部振荡器、外部晶振等。
- 时钟配置:可以配置主时钟、外设时钟等,以满足不同外设的工作频率需求。
- 复位控制:RCC可以对各个外设进行复位,确保在系统初始化时外设处于已知状态。
- 时钟使能/禁用:动态地开启或关闭外设的时钟,以节省功耗。
时钟源
有四个时钟源:
- HSE:外部高速时钟,一般为外部晶体/陶瓷谐振器或者用户外部时钟提供。
- LSE:外部低俗时钟,32.768kHz低速外部晶体提供,经过
2^15分频为1HZ。 - HSI:内部高速时钟,由内部8MHz的RC振荡器产生。
- LSI:内部低俗时钟,时钟频率大约40kHz并不精准。
HSE,HSI 和经过锁相环倍频的两者通常用作驱动系统时钟。例如F1系列就可以使用 HSE 通过锁相环倍频得到72MHZ(8MHZ*9)的系统时钟。LSE,LSI可用于驱动独立看门狗和通过程序选择驱动RTC(Real-Time Clock)。当不被使用时,任一个时钟源都可被独立地启动或关闭,由此优化系统功耗。
- SYSCLK:内核时钟,由时钟源倍频得到。
- HCLK:AHB总线时钟,由SYSCLK分频得到。
- PCLK1/2:APB1/2时钟,由HCLK分频得到。
- Systisk:系统节拍定时器,一般为 HCLK/8。
- 定时器时钟:如果相应的APB预分频系数是1,定时器的时钟频率与所在APB总线频率一致。否则,定时器的时钟频率被设为与其相连的APB总线频率的2倍。
调试支持
STM32 支持两种调试接口 SWD,JTAG。两种调试接口复用为SWJ调试端口(serial wire and JTAG),该端口可在两种调试接口之间转换。STM32F10xxx的5个普通I/O口可用作SWJ-DP接口引脚。

可通过配置寄存器来释放一些引脚为普通 IO。
